11年專業銷售工程師-徐工
15年專業銷售工程師-謝工
9年專業銷售工程師-王工
6年銷售工程師-張工
項目產品選型、技術指導高級電器工程師-李工
| 分類 | |
| 品牌 |
| 分類 | |
| 品牌 |
| 分類 | |
| 品牌 |
| 分類 |
|
| 品牌 |
|
優勢一:廣州南創是一家大型傳感器、儀器儀表、工業備品備件供應商!中國傳感器聯合會誠信“AAA”級成員,多家世界知名傳感企業中國市場開拓核心合作伙伴;
優勢二:完善的全國銷售服務網絡:12個區域辦事處、20個分公司、遍布全國的售后服務網點,為您及時便捷實現上門無憂售后服務;
優勢三:為國內多家知名大中型工業企業、航天工業企業提供國際工業自動化控制檢測設備及工業稱重系統和傳感器設備儀表,緊密依托中科院及清華大學的技術支持合作交流。技術、產品可靠值得信賴;
優勢四:鄭重承諾:三個月內產品有質量問題無條件退換貨;
優勢五:資深工程師為您提供全方位完善的一條龍銷售服務指導,售前專業方案設計、產品選型指導,售中安裝調試,售后三年上門免費跟蹤維修服務;
優勢六:全國優勢價格支持銷售,凡在我們公司購買產品,如果同類產品高于主流市場價格,我們雙倍補還差價,性價比高!
優勢七:我公司在國外設有7個境外專業采購中心,保證原裝進口,貨期快捷,價格具有優勢,可靠、放心
優勢八:我公司代理經銷169個品牌,全國同類產品系列全、品種多、多家知名企業中國合作伙伴代理。

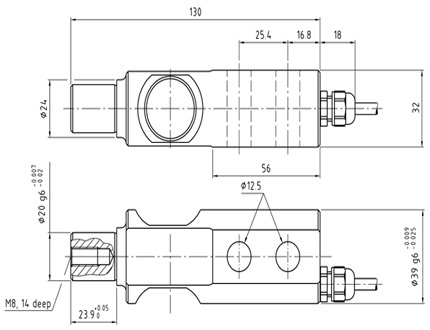
美國CHECKLINE_SK 224 FM徑向張力傳感器4個量程
500 KG(1100 LBS / 5000N)
750 KG(1650 LBS / 7500N)
1000 KG(2200 LBS / 10 kN)
1500 KG(3300 LBS / 15 kN)
完全密封的張力傳感器由IP67防水等級的不銹鋼制成設計用于各種張力/力感測應用,即使浸入水中也是如此。也適用于高力應用以及空氣中大量懸浮微粒或化學藥品的應用。
其獨特的應變計設計可提供出色的測量精度和穩定性,并提供最大的過載保護。該傳感器配有直徑為17mm的非旋轉軸承軸頸,通常與客戶提供的滾輪或導輪一起使用。
單輥系統,旨在使用現有的換向點進行張力測量
堅固的不銹鋼外殼經過環保密封
隨附10英尺(3 m)集成屏蔽電纜。可選長度
由不銹鋼制成的全密封傳感器達到IP67防水等級
過載保護高達800%
分辨率為0.1%或更高



【廣州★南創】專業供應美國CHECKLINE張力傳感器,【SK 224 FM徑向張力傳感器】保證貨期快捷,原裝正品,10年行業經驗專注高端高質傳感器服務,提供自動化完整解決方案。
廣州南創專業提供美國CHECKLINE_SK 224 FM徑向張力傳感器,原裝正品,質量保證,貨期短,美國CHECKLINE打造頂級傳感器品牌,【華南區★一級經銷商】做中國的,世界的工業備品備件分銷專家SK 224 FM徑向張力傳感器訂購方便,還可以享受當地個性化支持,免費技術支持,歡迎來電訂購。
除SK 224 FM徑向張力傳感器外其他熱銷型號推薦如下:
SY電纜/鋼絲繩張力計、DTS手持式數字張力計、DTXE手持式數字張力計、125-S-HDI手持張力傳感器、SW-HHP手持顯示器
本站內容未經許可禁止復制轉載!©2002 廣州南創電子科技有限公司
聯系電話:020-82303306 公司傳真:020-82303511下班及雙休日請撥打各品牌負責人電話電話詳情
備案號: 粵ICP備11086172號-1