11年專業銷售工程師-徐工
15年專業銷售工程師-謝工
9年專業銷售工程師-王工
6年銷售工程師-張工
項目產品選型、技術指導高級電器工程師-李工
| 分類 | |
| 品牌 |
| 分類 | |
| 品牌 |
| 分類 | |
| 品牌 |
| 分類 |
|
| 品牌 |
|
優勢一:廣州南創是一家大型傳感器、儀器儀表、工業備品備件供應商!中國傳感器聯合會誠信“AAA”級成員,多家世界知名傳感企業中國市場開拓核心合作伙伴;
優勢二:完善的全國銷售服務網絡:12個區域辦事處、20個分公司、遍布全國的售后服務網點,為您及時便捷實現上門無憂售后服務;
優勢三:為國內多家知名大中型工業企業、航天工業企業提供國際工業自動化控制檢測設備及工業稱重系統和傳感器設備儀表,緊密依托中科院及清華大學的技術支持合作交流。技術、產品可靠值得信賴;
優勢四:鄭重承諾:三個月內產品有質量問題無條件退換貨;
優勢五:資深工程師為您提供全方位完善的一條龍銷售服務指導,售前專業方案設計、產品選型指導,售中安裝調試,售后三年上門免費跟蹤維修服務;
優勢六:全國優勢價格支持銷售,凡在我們公司購買產品,如果同類產品高于主流市場價格,我們雙倍補還差價,性價比高!
優勢七:我公司在國外設有7個境外專業采購中心,保證原裝進口,貨期快捷,價格具有優勢,可靠、放心
優勢八:我公司代理經銷169個品牌,全國同類產品系列全、品種多、多家知名企業中國合作伙伴代理。
【廣州★南創】有賣(SUNcells)柯力稱重傳感器PST-200KG,有關PST-200KG傳感器多少錢、價格如何、產品是否正品、質量是否有保證等問題都可電話咨詢020-82303306,我們絕對為您耐心解答,同時為您提供最好的產品和最優質的服務,歡迎來電。
產品品牌:柯力(SUNcells)稱重傳感器PST-200KG
產品類型:柯力(SUNcells)S型稱重傳感器
產品型號:PST-200KG、PST-5KG、PST-7.5KG、PST-10KG
產品服務:24小時在線服務支持,全天問題解答,貼心的一對一咨詢
訂購專線: 020-82303306
產品承諾:十幾年的行業信譽和行業經驗,成就了廣州南創最好的行業地位
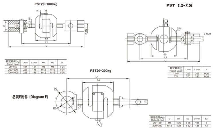
PST-200KG傳感器主要特點:
合金鋼,內部灌膠密封,防油,防水,耐腐蝕,適用于各種環境下。
本質安全型產品,可用于惡劣環境和危險區域。
精度高,合金鋼,不銹鋼材料。
結構緊湊,外形美觀,安裝方便,靈活。
PST-200KG技術指標:
量程:標準量程為200KG,額定載荷為標準量程的50%-80%
安全過載: 120% 標準量程
極限過載: 150% 標準量程
靈敏度: 2.0mV/V
推薦電源電壓:10-12V
認證:滿足CMC和OIML的認證和cUL和CE標準
工作頻率:75?100KHZ之間
應用范圍:
適用于試驗機,拉力機、電子吊鉤秤、機改秤、料斗秤等各類電子稱重設備。
參數及特點:
綜合誤差 C3 ± 0.03%
蠕變 ±0.02%
零點平衡 ±1%
輸入阻抗 400±20Ω
輸出阻抗 352±3Ω
工作溫度范圍 -30~+70℃
工作相對濕度:10%~95% 不冷凝、無結露
PST-200KG為高精度的S型傳感器,采用密封式外殼設計,防護等級為IP68.工作溫度范圍-30'C- 70℃,可應用于多種工業環境.
廣州南創長期供應寧波柯力傳感器、AMcells傳感器、suncells傳感器、hmcells傳感器,包括接線盒、變送器、顯示儀表等也都一并供應,歡迎各位經銷商和采購商前來咨詢產品和服務的相關信息,廣州南創承諾絕對的原裝正品現貨提供,童叟無欺、貨真價實


熱賣型號:
PST-1.2KG PST-1.5KG PST-2KG PST-2.5KG
PST-3KG PST-5KG PST-7.5KG PST-10KG
PST-20T PST-30T PST-50T PST-75T
PST-100T PST-150T PST-200T PST-250T
PST-300T PST-500T PST-700T PST-1000T
PST-A-1.2KG PST-A-1.5KG PST-A-2KG PST-A-2.5KG
PST-A-3KG PST-A-5KG PST-A-7.5KG PST-A-10KG
PST-SS-1.2KG PST-SS-1.5KG PST-SS-2KG PST-SS-2.5KG
PST-SS-3KG PST-SS-5KG PST-SS-7.5KG PST-SS-10KG
PST-SS-100T PST-SS-150T PST-SS-200T PST-SS-250T
PST-SS-300T PST-SS-500T PST-SS-700T PST-SS-1000T
以上信息是柯力(SUNcells)PST-200KG稱重傳感器的簡單介紹,如果您對柯力PST-200KG稱重傳感器的產品特性、型號參數、量程、價格廠家有需要了解的地方,請務必認準中國正式一級供應商【廣州南創】獲取PST-200KG傳感器最新產品相關信息。
本站內容未經許可禁止復制轉載!©2002 廣州南創電子科技有限公司
聯系電話:020-82303306 公司傳真:020-82303511下班及雙休日請撥打各品牌負責人電話電話詳情
備案號: 粵ICP備11086172號-1