11年專業銷售工程師-徐工
15年專業銷售工程師-謝工
9年專業銷售工程師-王工
6年銷售工程師-張工
項目產品選型、技術指導高級電器工程師-李工
| 分類 | |
| 品牌 |
| 分類 | |
| 品牌 |
| 分類 | |
| 品牌 |
| 分類 |
|
| 品牌 |
|
優勢一:廣州南創是一家大型傳感器、儀器儀表、工業備品備件供應商!中國傳感器聯合會誠信“AAA”級成員,多家世界知名傳感企業中國市場開拓核心合作伙伴;
優勢二:完善的全國銷售服務網絡:12個區域辦事處、20個分公司、遍布全國的售后服務網點,為您及時便捷實現上門無憂售后服務;
優勢三:為國內多家知名大中型工業企業、航天工業企業提供國際工業自動化控制檢測設備及工業稱重系統和傳感器設備儀表,緊密依托中科院及清華大學的技術支持合作交流。技術、產品可靠值得信賴;
優勢四:鄭重承諾:三個月內產品有質量問題無條件退換貨;
優勢五:資深工程師為您提供全方位完善的一條龍銷售服務指導,售前專業方案設計、產品選型指導,售中安裝調試,售后三年上門免費跟蹤維修服務;
優勢六:全國優勢價格支持銷售,凡在我們公司購買產品,如果同類產品高于主流市場價格,我們雙倍補還差價,性價比高!
優勢七:我公司在國外設有7個境外專業采購中心,保證原裝進口,貨期快捷,價格具有優勢,可靠、放心
優勢八:我公司代理經銷169個品牌,全國同類產品系列全、品種多、多家知名企業中國合作伙伴代理。
【廣州★南創】現貨優惠供應原裝柯力傳感器PST-3T,我司本著“高質量,優服務,價公道”的服務理念,同時擁有一支專業素質、服務快速的服務團隊,還有健全的售后及質量保障體系,為您提供最好的PST-3T稱重傳感器,優化產品和服務是我們的宗旨,讓客戶滿意是我們始終的追求,歡迎各位來電咨詢,電話020-82303306
PST-3T說明:
PST-3T稱重傳感器所要傳輸的信號,是微弱信號,系統的數字部分的作用就是對柯力PST-3T傳感器的非線性特性進行精確的補償,盡量使用兩線制電流傳輸,要減少多層屏蔽線的使用,推薦激勵電壓( ℃) -35 ? +70最大激勵電壓( V) 28 ( DC ),PST-3T稱重傳感器用于過程的控制和監控,具有精度高、量程范圍廣、高度低等優點,適用于較大臺面尺寸的電子臺秤以及各種工業稱重系統
PST-3T傳感器應用領域:
汽車行業:用于傳動、剎車、冷卻、輪胎、燃油等設備中。
醫療行業:用于靜脈注射監控、子宮內壓檢測等配套設備
工業自動化行業:工藝控制、工業機械、測量電子特性等
人工智能行業:機器人、智能機器、仿生機器等
軍事行業:紅外線步槍、可轉彎子彈、定點打擊導彈等
PST-3T功能特點
--S型輸出結構,可承載拉力,可瞬時輸出
--安裝方便,高精度、穩定性好。
--適用于材料試驗機、配料秤、吊鉤秤、皮帶秤和等;
--有極強的自我保護能力和過載能力
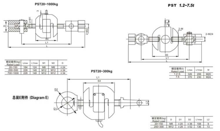
PST-3T熱賣型號:
PST-20kg,PST-30kg,PST-50kg,PST-75kg,PST-100kg
PST-A-150kg,PST-A-200kg,PST-A-250kgPST-A-200kg
PST-A-1.2t,PST-A-1.5t,PST-A-2t,PST-A-2.5t,PST-A-3t,PST-A-5t
PST-1.2t,PST-1.5t,PST-2t,PST-2.5t,PST-3t,PST-5t
PST-A-7.5t,PST-A-10t。PST-A-20kg,PST-A-30kg,PST-A-50kg
PST-200kg,PST-300kg,PST-500kg,PST-700kg,PST-1000kg
PST-A-300kg,PST-A-500kg,PST-A-700kg,PST-A-1000kg
PST-7.5t,PST-10t。PST-20kg,PST-30kg,PST-50kg
PST-75kg,PST-100kg,PST-150kg,PST-200kg,PST-250kg
PST-A-75kg,PST-A-100kg,PST-A-150kg,PST-A-200kg,PST-A-250kg


柯力PST-3T傳感器參數(中英):
分辨率:0.1mV Resolution: 0.1mV
相對精度:±0.2Mv Relative Accuracy: ± 0.2Mv
5.溫度 5. Temperature
量程:10.0to110℃(儀表);0to60.0℃(溶解氧電極) Range: 10.0to110 ℃ (meter); 0to60.0 ℃ (oxygen electrode)
分辨率:0.1℃ Resolution: 0.1 ℃
精度:±0.5℃ Accuracy: ± 0.5 ℃
蠕變(%F.S/30min) 0.02、0.1 Creep (% F.S/30min) 0.02,0.1
重復性(%F.S) 0.03、0.05 Repeatability (% F.S) 0.03,0.05
零點輸出 (%FS) 1.0 Zero (% FS) 1.0
零點溫度影響(%F.S/10℃) 0.03 Temperature Effect on Zero (% F.S/10 ℃) 0.03
安全過載Safe load limit:120%F.S Safety overload Safe load limit: 120% F.S
青青河邊草,廣州南創好,若想價格好,還要質量夠,還想售后全,那么請找廣州南創傳感器,我司長期供應美國柯力傳感器、AMcells傳感器、、托利多稱重傳感器,韓Bongshin傳感器、西班牙UTILCELL傳感器、日本NMB傳感器、美國Chcontech傳感器、奧地利E+E傳感器,包括接線盒、變送器、顯示儀表、稱重模塊等也都一并供應,歡迎各位經銷商和采購商前來咨詢產品和服務的相關信息,廣州南創承諾絕對的原裝正品現貨提供,童叟無欺、貨真價實
以上信息是柯力(SUNcells)PST-3T稱重傳感器的簡單介紹,如果您對柯力PST-3T稱重傳感器的產品特性、型號參數、量程、價格廠家有需要了解的地方,請務必認準中國正式一級供應商【廣州南創】獲取ZSF-A-15T傳感器最新產品相關信息。
本站內容未經許可禁止復制轉載!©2002 廣州南創電子科技有限公司
聯系電話:020-82303306 公司傳真:020-82303511下班及雙休日請撥打各品牌負責人電話電話詳情
備案號: 粵ICP備11086172號-1